Kích Thước Bàn Đá Lavabo, Chậu Rửa Mặt Tiêu Chuẩn Đầy Đủ Các Loại

Kích thước bàn đá lavabo là yếu tố quan trọng trong thiết kế phòng tắm vì ảnh hưởng trực tiếp đến sự tiện nghi, thẩm mỹ và khả năng sử dụng. Khi lựa chọn đúng kích thước mặt đá đặt lavabo, không gian phòng tắm sẽ trở nên cân đối hơn, đồng thời giúp việc sử dụng chậu rửa mặt thuận tiện và thoải mái.

Trong bài viết này, TBVS GAMA sẽ tổng hợp các kích thước bàn đá chậu rửa mặt phổ biến hiện nay, đồng thời hướng dẫn cách chọn kích thước phù hợp với từng không gian phòng tắm.

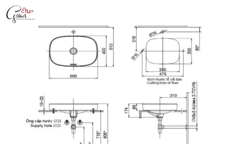
Kích thước bàn đá lavabo tiêu chuẩn
Kích thước bàn đá lavabo tiêu chuẩn

Kích thước bàn đá lavabo là gì?

Là thông số về chiều dài, chiều rộng và độ dày của mặt đá dùng để lắp đặt chậu rửa mặt. Đây là yếu tố quan trọng ảnh hưởng trực tiếp đến độ chắc chắn, tính thẩm mỹ và sự tiện lợi khi sử dụng. Tùy vào loại lavabo như âm bàn, đặt bàn hay bán âm, kích thước sẽ có sự thay đổi để đảm bảo phù hợp. Việc lựa chọn đúng kích thước không chỉ giúp lắp đặt chính xác mà còn tạo sự cân đối cho không gian phòng tắm, hạn chế bất tiện trong quá trình sử dụng lâu dài.

Kích thước bàn đá lavabo là gì?
Kích thước bàn đá lavabo là gì?

Kích thước bàn đá lavabo, chậu rửa mặt phổ biến hiện nay

Kích thước bàn đá chậu rửa mặt theo thiết kế treo tường

Bàn đá lavabo treo tường thường được thiết kế nhỏ gọn nhằm tối ưu diện tích cho phòng tắm có không gian hạn chế. Kích thước phổ biến gồm chiều dài từ 600 – 800 mm, chiều rộng khoảng 400 – 500 mm và chiều cao lắp đặt từ 800 – 850 mm tính từ sàn. Thiết kế treo giúp không gian trở nên thông thoáng, dễ vệ sinh và thuận tiện trong quá trình sử dụng. Đây là lựa chọn phù hợp cho căn hộ nhỏ, nhà phố hoặc nhà vệ sinh phụ cần tối giản diện tích nhưng vẫn đảm bảo đầy đủ công năng.

Kích thước bàn đá lavabo theo thiết kế treo tường
Kích thước bàn đá lavabo theo thiết kế treo tường

Kích thước bàn đá lavabo dương vành

Lavabo dương vành có phần chậu nổi lên trên mặt đá nên cần tính toán kích thước bàn sao cho đảm bảo chiều cao sử dụng hợp lý. Thông thường, bàn đá có chiều dài từ 600 – 900 mm, chiều rộng khoảng 450 – 550 mm. Sau khi lắp đặt, tổng chiều cao từ sàn đến miệng chậu nên nằm trong khoảng 830 – 850 mm để tạo sự thoải mái khi sử dụng. Thiết kế này phù hợp với nhiều phong cách phòng tắm nhờ tính linh hoạt, dễ thi công và dễ thay thế khi cần thiết.

Kích Thước Bàn Đá Lavabo, Chậu Rửa Mặt Tiêu Chuẩn Đầy Đủ Các Loại

Kích thước bàn đá chậu rửa mặt âm bàn tiêu chuẩn

Lavabo âm bàn được lắp chìm dưới mặt đá nên yêu cầu kích thước bàn phải đủ rộng để đảm bảo độ chắc chắn và tính thẩm mỹ. Kích thước phổ biến gồm chiều dài từ 700 – 1000 mm, chiều rộng khoảng 450 – 600 mm và chiều cao lắp đặt từ 800 – 850 mm. Thiết kế này giúp bề mặt bàn luôn gọn gàng, hạn chế nước bắn ra ngoài và dễ vệ sinh. Đây là lựa chọn được nhiều gia đình ưa chuộng trong các không gian phòng tắm hiện đại và tối giản.

Mẫu bàn đá lavabo âm bàn cho căn hộ hiện đại
Mẫu bàn đá lavabo âm bàn cho căn hộ hiện đại

Kích thước bàn lavabo bán âm

Lavabo bán âm có phần chậu nhô ra phía trước nên kích thước bàn đá thường nhỏ gọn hơn so với lavabo âm hoàn toàn. Kích thước phổ biến gồm chiều dài từ 600 – 800 mm, chiều rộng khoảng 400 – 500 mm. Thiết kế này giúp tiết kiệm diện tích nhưng vẫn đảm bảo nhu cầu sử dụng cơ bản. Lavabo bán âm phù hợp với những phòng tắm có diện tích vừa và nhỏ, đồng thời mang lại sự cân đối giữa tính thẩm mỹ và công năng trong quá trình sử dụng hàng ngày.

Mẫu bàn đá lavabo bán âm phổ biến hiện nay
Mẫu bàn đá lavabo bán âm phổ biến hiện nay

Kích thước bàn đá lavabo góc tường

Lavabo góc tường được thiết kế để tận dụng tối đa không gian góc, phù hợp với phòng tắm có diện tích nhỏ hoặc bố trí hạn chế. Kích thước cạnh thường dao động từ 400 – 500 mm, chiều cao lắp đặt khoảng 800 mm. Bàn đá góc giúp tối ưu diện tích sử dụng, tạo thêm không gian di chuyển và giảm cảm giác chật chội. Đây là giải pháp hiệu quả cho nhà vệ sinh nhỏ, khu vực phụ hoặc những không gian cần tối giản nhưng vẫn đảm bảo tiện nghi cơ bản.

Bàn đá lavabo góc tường
Bàn đá lavabo góc tường

Kích thước bàn đá lavabo đôi chuẩn nhất

Lavabo đôi yêu cầu kích thước bàn đá lớn để đảm bảo khoảng cách sử dụng thoải mái cho nhiều người cùng lúc. Kích thước phổ biến gồm chiều dài từ 1200 – 1500 mm, chiều rộng khoảng 500 – 600 mm. Khoảng cách giữa hai chậu nên từ 300 mm trở lên để tránh va chạm khi sử dụng. Thiết kế này phù hợp với gia đình đông người hoặc phòng tắm cao cấp, giúp tăng tính tiện nghi và tối ưu trải nghiệm sinh hoạt hàng ngày.

Kích thước bàn đá lavabo đôi chuẩn nhất
Kích thước bàn đá lavabo đôi chuẩn nhất
Bàn đá lavabo đôi chuẩn nhất
Bàn đá lavabo đôi chuẩn nhất

Kích thước bàn đá chậu rửa mặt theo từng thiết kế

Mỗi kiểu lavabo sẽ yêu cầu kích thước bàn đá khác nhau để đảm bảo phù hợp với công năng sử dụng. Lavabo nhỏ thường sử dụng bàn dài từ 600 – 700 mm, trong khi các loại lớn hoặc lavabo đôi có thể lên đến 1500 mm. Chiều rộng phổ biến dao động từ 400 – 600 mm tùy thiết kế chậu. Việc lựa chọn kích thước cần dựa vào diện tích phòng tắm và nhu cầu sử dụng thực tế để đảm bảo không gian cân đối, thuận tiện và mang lại hiệu quả sử dụng lâu dài.

Hướng dẫn cách lắp đặt bàn đá chậu rửa mặt đúng kích thước

Bước 1: Xác định vị trí và kích thước

Đo đạc chính xác vị trí lắp đặt và kích thước bàn đá trước khi thi công. Chiều cao tiêu chuẩn nên nằm trong khoảng 800 – 850 mm để đảm bảo thuận tiện khi sử dụng.

Bước 2: Chuẩn bị bề mặt lắp đặt

Đảm bảo khu vực lắp đặt bằng phẳng, chắc chắn và đủ khả năng chịu lực. Điều này giúp bàn đá ổn định, hạn chế nứt vỡ trong quá trình sử dụng lâu dài.

Bước 3: Bố trí hệ thống cấp và thoát nước

Lắp đặt đường ống cấp nước và ống xả đúng vị trí theo thiết kế. Kiểm tra kỹ để tránh rò rỉ hoặc sai lệch gây khó khăn khi lắp chậu.

Bước 4: Khoét lỗ bàn đá theo kích thước chậu

Tiến hành cắt khoét mặt đá theo đúng kích thước lavabo. Cần thực hiện chính xác để đảm bảo chậu lắp vừa khít, không bị hở hoặc lệch.

Bước 5: Lắp đặt lavabo và cố định

Đặt chậu vào vị trí đã khoét, cố định chắc chắn bằng keo chuyên dụng hoặc phụ kiện đi kèm. Kiểm tra độ cân bằng để đảm bảo tính thẩm mỹ.

Bước 6: Kiểm tra và hoàn thiện

Sau khi lắp xong, tiến hành kiểm tra hệ thống nước, độ chắc chắn và khả năng thoát nước. Vệ sinh bề mặt để hoàn thiện và đưa vào sử dụng.

Hướng dẫn cách lắp đặt bàn đá chậu rửa mặt đúng kích thước
Hướng dẫn cách lắp đặt bàn đá chậu rửa mặt đúng kích thước

Những lưu ý khi chọn kích thước bàn đá lavabo

Kích thước ống xả phù hợp với bàn đá lavabo

Ống xả đóng vai trò quan trọng trong việc thoát nước nên cần được lựa chọn đúng kích thước và lắp đặt chính xác. Đường kính ống xả phổ biến từ 48 – 60 mm tùy theo loại lavabo và thiết kế hệ thống. Nếu kích thước không phù hợp hoặc lắp đặt sai vị trí, nước có thể thoát chậm hoặc gây rò rỉ trong quá trình sử dụng. Vì vậy, cần đo đạc kỹ trước khi thi công để đảm bảo hệ thống hoạt động ổn định và tránh phát sinh sự cố về sau.

Kích thước ống xả phù hợp với bàn đá lavabo
Kích thước ống xả phù hợp với bàn đá lavabo

Kích thước tủ lavabo cho bàn đá

Tủ lavabo cần có kích thước tương thích với bàn đá để đảm bảo sự đồng bộ và tối ưu công năng sử dụng. Chiều dài tủ thường trùng với chiều dài bàn đá, dao động từ 600 – 1000 mm, trong khi chiều sâu phổ biến từ 450 – 600 mm. Việc lựa chọn đúng kích thước giúp tăng không gian lưu trữ, giữ cho phòng tắm gọn gàng và tiện nghi hơn. Đồng thời, tủ lavabo phù hợp còn góp phần nâng cao tính thẩm mỹ cho toàn bộ không gian.

Kích thước tủ lavabo cho bàn đá
Kích thước tủ lavabo cho bàn đá

Kích thước không gian sẵn có trong phòng tắm

Diện tích phòng tắm là yếu tố quan trọng quyết định kích thước bàn đá lavabo. Với không gian nhỏ, nên chọn bàn có chiều dài từ 600 – 800 mm để đảm bảo thuận tiện di chuyển. Đối với phòng tắm rộng, có thể lựa chọn bàn lớn hoặc lavabo đôi để tăng tiện nghi. Việc chọn kích thước phù hợp giúp không gian trở nên cân đối, dễ sử dụng và hạn chế tình trạng chật chội hoặc lãng phí diện tích không cần thiết.

Số lượng người sử dụng lavabo

Số lượng người sử dụng ảnh hưởng trực tiếp đến việc lựa chọn kích thước và kiểu lavabo. Với gia đình ít người, bàn đá nhỏ sẽ giúp tiết kiệm diện tích mà vẫn đáp ứng đủ nhu cầu. Ngược lại, gia đình đông người nên chọn bàn lớn hoặc lavabo đôi để tăng sự tiện lợi khi sử dụng cùng lúc. Việc lựa chọn phù hợp giúp tối ưu trải nghiệm sinh hoạt hàng ngày, hạn chế bất tiện và nâng cao hiệu quả sử dụng lâu dài.

Phong cách và thiết kế tổng thể của phòng tắm

Kích thước bàn đá lavabo cần hài hòa với phong cách thiết kế chung của phòng tắm để đảm bảo tính thẩm mỹ. Không gian hiện đại thường ưu tiên kích thước gọn gàng, tối giản nhằm tạo cảm giác thoáng đãng. Trong khi đó, phòng tắm cao cấp có thể sử dụng bàn đá lớn hoặc lavabo đôi để tăng sự sang trọng. Việc lựa chọn kích thước phù hợp với thiết kế tổng thể giúp không gian trở nên đồng bộ, đẹp mắt và mang lại trải nghiệm sử dụng tốt hơn.

Câu hỏi thường gặp

Kích thước bàn đá lavabo tiêu chuẩn là bao nhiêu?

Kích thước phổ biến nhất hiện nay là 80 × 50 cm, phù hợp với nhiều loại lavabo và diện tích phòng tắm khác nhau.

Bàn đá lavabo nổi có khác lavabo âm không?

Có. Bàn đá dành cho lavabo nổi thường cần rộng hơn để tạo khoảng trống đặt chậu trên bề mặt.

Có nên làm bàn đá lavabo quá lớn không?

Không nên. Bàn đá quá lớn có thể khiến phòng tắm trở nên chật chội và mất cân đối với các thiết bị vệ sinh khác.

Kết luận

Việc lựa chọn đúng kích thước bàn đá lavabo sẽ giúp phòng tắm trở nên tiện nghi, thẩm mỹ và dễ sử dụng hơn. Tùy theo loại lavabo, diện tích phòng tắm và nhu cầu sử dụng, bạn có thể lựa chọn kích thước bàn đá phù hợp để tạo nên không gian hài hòa và hiện đại. Nếu đang tìm kiếm các mẫu lavabo chất lượng cùng tư vấn kích thước phù hợp, bạn có thể tham khảo các sản phẩm tại TBVS GAMA để hoàn thiện không gian phòng tắm tiện nghi và bền đẹp.

Địa Chỉ Và Thông Tin Liên Hệ

CÔNG TY TNHH TẬP ĐOÀN GAMA

Địa chỉ: 25/15 Văn Cao, Phường Phú Thạnh, Tp. HCM.

Showroom: 54/6E Ấp Tiền Lân, Xã Bà Điểm, Thành Phố Hồ Chí Minh.

Hotline: 0901 924 309

Zalo: Công ty TNHH tập đoàn GAMA

E-mail: info@gamagroup.com.vn

Website: gamahome.vn